KASA PROFİLİ- 2206
- Anasayfa
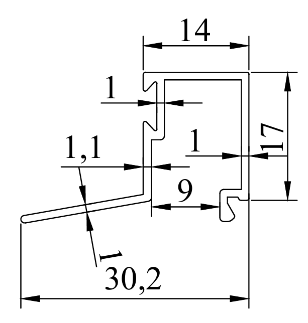
- KASA PROFİLİ- 2206
PROFİL KODU-PROFILE CODE -2206
Aldoks Serisi
Aldoks serisi profiller de, piyasa da oldukça bilinen ve tercih edilen alüminyum doğrama sistemlerinden biri olup, günümüzde yoğun bir şekilde birçok yapıda kullanılmaktadır.
45 mm kasa ve 55 mm kanat derinlikleri ve 1.1 mm ile 2 mm arasında değişen kasa & kanat varyasyonlarıyla son derece hafif ve basit bir yalıtımsız pencere doğrama sistemidir. Hem pres hem de vidalı 45 derece köşe birleşim metodu uygulanabilen sistemin tek tip ve az sayıda olan aksesuarları da ekonomik olma özelliğini desteklemektedir.
Aldoks serisi ekonomiktir. Diğer standart profillere kıyasla, maliyeti oldukça uygun bir fiyata gelmektedir.
İmalatı oldukça kolaydır. Montajı ve uygulaması en kolay yapılan sistemdir denilebilir. Hızlı imalatların gerektiği durumlarda bu sistem kullanılır.
Çift yönlü eksen mekanizması bulunması, yüksek binalarda ya da büyük hacim pencere gerektiren yerlerde, içeriden olduğu kadar, dışarıdan da montajının kolay bir şekilde yapılmasına olanak sağlar. Çift yönlü eksen mekanizması, binili ve hem yüz olarak kullanılmasına olanak sağlar.
Cam kapılı olan ürünlerde en çok tamamlayıcı olarak kullanılırlar. Farklı et kalınlıklarında üretilir ve geniş ya da dar serileri bulunur. Fugalı ve düz seçenekleri bulunur. Köşe dönüşlerinde avantaj sağlayan profil alternatifleri bulunur. Esnek yapısından dolayı, Isı cam ve tek cam gibi farklı kalınlıklarda cam uygulaması yapılabilir.
Özgün ve yenilikçi yapısı ile tüm modern yapılarda kullanılabilir. Estetik tarafı olduğundan dolayı, genelde işletmeler ve rezidans binalarında tercih edilirler. Günümüzde yapılan rezidansların birçoğunda, bu profil sistemi kullanılır. Aldoks serisi profiller, lüks restoranlarda ve daha birçok işletmede tercih edilirler.

